- LED太陽能草坪燈的設計
- 太陽能草坪燈的控制器用于蓄電池充放電控制
- 太陽能草坪燈大多數采用超高亮白光LED
1、引言
太陽能作為一種新興的綠色能源,以其無可比擬的優勢得到迅速的推廣應用。作為第四代新光源,在城市亮化美化、道路照明、庭院照明、室內照明以及其他各領域的照明和應用中得到了有效的利用。尤其是在偏遠無電地區,太陽能照明燈具更具有廣泛的應用前景。 一般人認為,節能燈可節能4/5是偉大的創舉,但LED比節能燈還要節能1/4,這是固體光源偉大的革新。
除此之外,LED還具有光線質量高,基本上無輻射,可靠耐用,維護費用極為低廉等優勢,屬于典型的綠色照明光源。超高亮LED的研制成功,大大地降低了太陽能燈具使用成本,使之達到或接近工頻交流電照明系統初裝的成本報價,并且具有保護環境、安裝簡便、操作安全、經濟節能等優點。由于LED具有的光效率高,發熱量低等優勢,已經越來越多地應用在照明領域,并呈現出取代傳統照明光源的趨勢。
在我國西部,非主干道太陽能路燈、太陽能庭院燈漸成規模。隨著太陽能燈具的大力發展,“綠色照明”必將會成為一種趨勢。而LED太陽能草坪燈作為其中的一個代表,也將得到大力的推廣和應用,本文主要介紹它的一些知識,希望能給大家一些啟發。
2、LED太陽能草坪燈的定義及結構組成
太陽能草坪燈主要利用太陽能電池的能源來進行工作,當白天太陽光照射在太陽能電池上,把光能轉變成電能存貯在蓄電池中,再由蓄電池在晚間為草坪燈的LED(發光二極體)提供電源。其優點主要為安全、節能、方便、環保等。適用于住宅社區綠草地美化照明點綴,公園草坪美化點綴。LED太陽能草坪燈的結構組成:由太陽能電池組件(光電板)、超高亮LED燈(光源)、免維護可充電蓄電池、自動控制電路、燈具等組成。
3、太陽能草坪燈的系統組成、控制原理和電路原理
3.1 太陽能草坪燈的系統組成
LED太陽能草坪燈是一個獨立的發電系統。它能夠獨立的完成把太陽能轉換為電能,并能把電能轉換成熱能供照明和裝飾使用,而不需要電線的傳輸。一個獨立的光伏系統一般由以下三部分組成:太陽電池組件;充、放電控制器、逆變器、測試儀表和計算機監控等電力電子設備和蓄電池或其它蓄能和輔助發電設備。光伏系統具有以下的特點:沒有轉動部件,不產生噪音; 沒有空氣污染、不排放廢水;沒有燃燒過程,不需要燃料; 維修保養簡單,維護費用低;運行可靠性、穩定性好;作為關鍵部件的太陽電池使用壽命長,晶體硅太陽電池壽命可達到25年以上;根據需要很容易擴大發電規模。[page]


圖1:幾種常見的LED太陽能草坪燈
圖2是一個典型的供應直流負載的光伏系統示意圖。其中包含了光伏系統中的幾個主要部件:光伏組件方陣:由太陽電池組件(也稱光伏電池組件)按照系統需求串、并聯而成,在太陽光照射下將太陽能轉換成電能輸出,它是太陽能光伏系統的核心部件。

圖2:直流負載的太陽能光伏系統
[page]LED太陽能草坪燈是一個小型的太陽能供電系統(圖3是一個簡單的太陽能供電系統)。它的結構非常簡單主要由太陽能電池板、充放電控制器、蓄電池、照明電路和燈桿等部分組成(如圖4)。

圖3:小型太陽能供電系統

圖4:LED太陽能草坪燈的組成
3.2 太陽能草坪燈的控制原理
太陽能草坪燈的控制器主要是用于蓄電池充放電的而控制。圖4-4就是一個最基本的充放電控制器。在該圖中,由光伏電池板、蓄電池、太陽能控制器和負載組成了一個基本的光伏應用系統。這里的開關K1和K3為充電開關,K3為放電開關,它們均屬于太陽能控制中心的一部分。圖中開關的開合由控制電路根據系統的充放電狀態來決定。當蓄電池充滿電時斷開充電開關,需要充電時閉合充電開關;當蓄電池放電時閉合K2,否則斷開。而這些控制電路可以采用三極管、電阻、電容、電感構成的電壓比較升壓充放電電路,也可以采用光控電路,或者采用集成運放構成的電壓滯回比較器,還可以采用單片機。鑒于廉價的考慮一般采用前者。

圖5:充放電控制器的基本原理

圖6:蓄電池放電示意圖
一般來說,一個合格的太陽能充放電控制器具有以下幾種充放電保護模式:
[page]
a 直充保護點電壓:直充也叫急充,屬于快速充電,一般都是在蓄電池電壓較低的時候用大電流和相對高電壓對蓄電池充電,但是,有個控制點,也叫保護點,就是上表中的數值,當充電時蓄電池端電壓高于這些保護值時,應停止直充。直充保護點電壓一般也是“過充保護點”電壓,充電時蓄電池端電壓不能高于這個保護點,否則會造成過充電,對蓄電池是有損害的。
b 均充控制點電壓:直充結束后,蓄電池一般會被充放電控制器靜置一段時間,讓其電壓自然下落,當下落到“恢復電壓”值時,會進入均充狀態。為什么要設計均充?就是當直充完畢之后,可能會有個別電池“落后”(端電壓相對偏低),為了將這些個別分子拉回來,使所有的電池端電壓具有均勻一致性,所以就要以高電壓配以適中的電流再充那么一小會,可見所謂均充,也就是“均衡充電”。均充時間不宜過長,一般為幾分鐘~十幾分鐘,時間設定太長反而有害。對配備一塊兩塊蓄電池的小型系統而言,均充意義不大。所以,路燈控制器一般不設均充,只有兩個階段。
c 浮充控制點電壓:一般是均充完畢后,蓄電池也被靜置一段時間,使其端電壓自然下落,當下落至“維護電壓”點時,就進入浮充狀態,目前均采用PWM(既脈寬調制)方式,類似于“涓流充電”(即小電流充電),電池電壓一低就充上一點,一低就充上一點,一股一股地來,以免電池溫度持續升高,這對蓄電池來說是很有好處的,因為電池內部溫度對充放電的影響很大。其實PWM方式主要是為了穩定蓄電池端電壓而設計的,通過調節脈沖寬度來減小蓄電池充電電流。這是非??茖W的充電管理制度。具體來說就是在充電后期、蓄電池的剩余電容量(SOC)>80%時,就必須減小充電電流,以防止因過充電而過多釋氣(氧氣、氫氣和酸氣)。
d 過放保護終止電壓:這比較好理解。蓄電池放電不能低于這個值,這是國標的規定。蓄電池廠家雖然也有自己的保護參數(企標或行標),但最終還是要向國標靠攏的。需要注意的是,為了安全起見,一般將12V電池過放保護點電壓人為加上0.3V作為溫度補償或控制電路的零點漂移校正,這樣12V電池的過放保護點電壓即為11.10V,那么24V系統的過放保護點電壓就為22.20V 。目前很多生產充放電控制器的廠家都采用22.2V(24V系統)標準。
3.3 太陽能草坪燈充放電控制器的設計
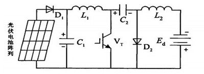
充電控制器作為光伏電池和鉛酸蓄電池的接口電路,一般都希望讓其工作在最大功率點,實現更高的效率,但是在實現最大功率點跟蹤(MPPT)的同時,還需要考慮進行蓄電池充電控制。目前常用的主電路拓撲主要有降壓型電路(Buck)變換器、升壓型電路(Boost)變換器、丘克電路(Cuk)變換器等。一般光伏電池輸出電壓波動較大,而Buck變換器或Boost變換器只能進行降壓或升壓變換,受此影響,光伏電池不能在大范圍內完全工作于最大功率點,從而造成系統效率下降。同時,Buck變換器輸入電流紋波較大,如果輸入端不加一個儲能電容就會使系統工作在斷續狀態下,從而導致光伏電池輸出電流時斷時續,不能處于最佳工作狀態;而Boost變換器輸出電流紋波較大,用此電流對蓄電池進行充電,不利于蓄電池的使用壽命;Cuk變換器同時具有升壓和降壓功能,將Cuk變換器應用于光伏系統充電控制器中,可以在較大范圍內實現最大功率點跟蹤,有利于系統效率的提高。因此,常選用Cuk變換器作為充電控制器的主電路,其系統拓撲如圖7所示。

圖7:Cuk充電控制器主電路
Cuk變換器在負載電流連續的情況下,其電路的穩態過程有:
1、開關管Vr導通期間
此期間開關管Vr導通,電容C2上的電壓使二極管D2反偏而截止,這時輸入電流iL2使Ll儲能;C2的放電電流iL2使L2儲能,并供電給負載,如圖8(a)所示。
2、開關管Vr截止期間此期間開關管Vr截止,二極管D2正偏而導通,電源和Ll的釋能電流iLl向C2充電,同時L2的釋能電流iL2以維持負載,如圖8(b)所示。因此,Vr截止期間C2充電,Vr導通期間C2向負載放電,C2起能量傳遞的作用。

圖8:Cuk變換器連續工作模式等效電路圖
3.4 太陽能草坪燈的電路原理
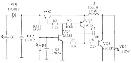
太陽能草坪燈的電路原理比較簡單。下面我們具體介紹一種簡單的太陽能草坪燈的電路原理。它的控制器就是采用升壓電路來實現的。

圖9:一種簡單的太陽能草坪燈的電路原理圖
[page]元器件選擇:BT1選用3.8V/80mA太陽能電池板,單晶硅為好,多晶硅次之;BT2選用兩節1.2V/600mA Ni-Cd電池,如需要增大發光度或延長時間,可相應提高太陽能板及電池功率。VQ2、VQ3、VQ5的β在200左右,VQ4需β值大的晶體管。VD1盡量選管壓低的,如鍺管或肖特基二極管。LED可選用白、藍、綠色超高亮度散光或聚光。當選用紅黃橙等低壓降LED時,電路需重新設定。R3、R5建議選用1%精度電阻;R4用亮阻10kΩ~20kΩ,暗阻1MΩ以上的光敏電阻。其他電阻可選用普通碳膜(1/4)W、(1/8)W電阻。L1用(1/4)W色電感,直流阻抗要小。
該電路的工作原理:白天有太陽光時,由BT1把光能轉換為電能,由VD1對BT2充電,由于有光照,光敏電阻呈低阻,VQ4 b極為低電平而截止。當晚上無光照時光敏電阻呈高阻,VQ4導通,VQ2 b極為低電平也導通,由VQ3、VQ5、C2、R6、L1組成的DC升壓電路工作,LED得電發光。
DC升壓電路其核心就是一個互補管振蕩電路,其工作過程為:VQ2導通時電源通過L1、R6、VQ4向C2充電,由于C2兩端電壓不能突變,VQ3 b極為高電平,VQ3不導通,隨著C2的充電其壓降越來越高,VQ3 b極電位越來越低,當低至VQ3導通電壓時VQ3導通,VQ5相繼導通,C2通過VQ5 ce結、電源、VQ3 eb結(由于VQ2導通,我們假設其ec結短路,VQ3 e極直接電源正極)放電。
當放完電后VQ3截止,VQ5截止,電源再次向C2充電,之后VQ3導通,VQ5導通,C2放電,如此反復,電路形成振蕩,在振蕩過程中,VQ5導通時電源經L1和VQ5 ce結到地,電流經L1儲能,VQ5截止時L1產生感應電動勢,和電源疊加后驅動LED,LED發光。本可以提高電池電壓直接驅動LED,以提高效率,但電池電壓提高,相應的太陽能電池價格也大幅提高,只要電路元件設置合適,其效率還是可以接受的。當白天充電不夠時(如遇上陰雨天等),BT2可能發生過放電,這樣會損壞電池,為此特加R5構成過放保護:當電池電壓降至2V時,由于R5的分壓使VQ4基極電位不足以使VQ4導通,從而保護電池。增加R5會影響VQ4的導通深度。
4、光源優勢及選擇
目前多數草坪燈選用LED作為光源,LED壽命長,可以達到100000小時以上,工作電壓低,非常適合應用在太陽能草坪燈上。特別是LED技術已經經歷了其關鍵的突破,并且其特性在過去5年中有很大提高,其性能價格比也有較大的提高。另外,LED由低壓直流供電,其光源控制成本低,使調節明暗,頻繁開關都成為可能,并且不會對LED的性能產生不良影響。還可以方便地控制顏色,改變光的分布,產生動態幻景,所以它特別適用在太陽能草坪燈上。
但是LED有它許多固有的特性,使用時如果不注意就會造成不良后果。LED目前市場上銷售的發光效率僅能達到15lmW,只能達到三色基色高效節能燈1/3,三色基色高效節能燈的發光效率可以達到50-60lmW,從價格上看,目前生產每1m的成本:三色基色高效節能燈(含電子鎮流器)0.022元,2002年φ5mm白光LED價格為1.9-3.0元,目前生產每1m的成本價格相差懸殊。從使用壽命上看,三色基色高效節能燈(含電子鎮流器)的壽命可以達到6000h,LED可以達到100000h以上,從表面上看LED壽命是三色基色高節能燈(含電子鎮流器)的幾十倍,但是事實并非如此。
目前太陽能草坪燈大多數采用超高亮白光LED,它在20mA下超高亮白光LED光通維持率達到初始強度50%的時間(壽命)不到10000h,復旦大學電光源所曾經證明上述論點。這就是說,目前在許多情況下LED并非最好的太陽能草坪燈光源,除非它是低檔的使用年限僅1-2年的太陽能草坪燈,或者是1W以下的太陽能草坪燈。對于1W以上的太陽能草坪燈,最好使用三色基色高效節能燈。目前有一些太陽能草坪燈用30-40只超高亮白光LED,輸入功率2W以上,在這種情況下如果用三色基色高效節能燈,價格只有LED的1/10,光通量是原來的4倍,可喜的是現在已經研制成功2-10W的低壓直流三色基色高效節能燈,壽命可以達到6000h。
根據上面分析,我們認為1W以下的小功率太陽能草坪燈,有調節明暗,頻繁開關的功能,一般應該使用LED作為光源。但是在使用超高亮白光LED時特別要注意光通維持率問題,否則容易引起質量事故。對于功率較大的太陽能草坪燈,目前使用三色基色高效節能燈比較合理。這里要強調的是,以上結論僅僅是目前的分析,當LED技術水平提高以后,價格下降,以上結論需要調整。
5、遇到的問題
5.1 光敏傳感器
太陽能草坪燈需要光控開關,設計者往往會用光敏電阻來自動開關燈,實際上太陽能電池本身就是一個極好的光敏傳感器,用它做光敏開關,特性比光敏電阻好。對于僅僅使用一只1.2VNi-Cd電池的太陽能草坪燈來說,太陽能電池組件由四片太陽能電池串聯組成,電壓低,弱光下電壓更低,以至天沒有黑電壓已經低于0.7V,造成光控開關失靈。在這種情況下,只要加一只晶體管直接耦合放大,即可解決問題。
5.2 按蓄電池電壓高低控制負載大小
太陽能草坪燈往往對連續陰雨可維持時間要求很高,這就增加系統成本。我們在連續陰雨蓄電池電壓降低時減少LED接入個數,或者減少太陽能草坪燈每天的發光時間,這樣就能減少系統成本。
5.3 太陽能電池封裝形式
目前太陽能電池的封裝形式主要有兩種,層壓和滴膠。層壓工藝可以保證太陽能電池工作壽命25年以上,滴膠雖然當時美觀,但是太陽能電池工作壽命僅僅1-2年。因此,1W以下的小功率太陽能草坪燈,在沒有過高壽命要求的情況下,可以使用滴膠封裝形式,對于使用年限有規定的太陽能草坪燈,建議使用層壓的封裝形式。
5.4 閃爍變光
漸亮漸暗是節能的好辦法,它一方面可以增加太陽能草坪照射效果,另一方面可以通過改變閃爍占空比控制蓄電池平均輸出電流,延長系統工作時間,或者在同等條件下,可減小太陽能電池的功率,成本將大幅度下降。
5.5 三色基色高效節能燈的開關速度
這個問題非常重要,它甚至決定著太陽能草坪燈的使用壽命,三色基色高效節能燈啟動時有高達10-20倍的啟動電流,系統在承受這樣大的電流情況下可能電壓有大幅度下降,太陽能草坪燈無法啟動或者反復啟動,直至損壞。
5.6 升壓電路效率的提高及對LED燈的影響
小功率太陽能草坪燈一般都有升壓電路,如果采用振蕩電路,電感升壓。電感采用標準色碼電感器,標準色碼電感器中使用開放磁路,磁通損失大,所以電路效率低。如果采用閉合磁路制造電感升壓,如磁環,升壓電路效率將有很大提高。LED的特性接近穩壓二極管,工作電壓變化0.1V,工作電流可能變化20mA左右。為了安全,普通情況下使用串聯限流電阻,極大的能量損失顯然不適合太陽能草坪燈,并且LED亮度隨工作電壓變化,而且一定要自動限流,否則將損壞LED。一般LED的峰值電流50-100mA,反高能電池反接或者蓄電池空載,升壓電路峰值電壓過高時很可能超過這個極限,損壞LED。
6 總結
本文通過對太陽能LED草坪燈照明設計思路的討論,來整體概述LED草坪燈照明技術所要考慮的問題,我所采用的解決方案。太陽能作為一種新興的綠色能源,以其無可比擬的優勢得到迅速的推廣應用。相信太陽能太陽能LED草坪燈在不久的將來能得到普及,并且會成為技術發展的新趨勢。



