開關變壓器的等效電路與一般變壓器的等效電路,雖然看起來基本沒有區別,但開關變壓器的等效電路一般是不能用穩態電路進行分析的;等效負載電阻不是一個固定參數,它會隨著開關電源的工作狀態不斷改變,分布電感與分布電容對正激式開關電源和反激式開關電源工作的影響也不一樣



(2-122)式中,Cs為變壓器的總分布電容,Cs1為變壓器初級線圈的分布電容;C1為次級線圈電路中總電容C2(包括分布電容與電路中的電容)等效到初級線圈電路中的電容;n = N2/N1為變壓比。
圖2-43開關變壓器的等效電路與一般變壓器的等效電路,雖然看起來基本沒有區別,但開關變壓器的等效電路一般是不能用穩態電路進行分析的;即:圖2-43中的等效負載電阻不是一個固定參數,它會隨著開關電源的工作狀態不斷改變。
例如,在反激式開關電源中,當開關管導通時,開關變壓器是沒有功率輸出的,即負載電阻R等于無限大;而對于正激式開關電源,當開關管導通時,開關變壓器是有功率輸出的,即負載電阻R既不等于無限大,也不等于0 。因此,分布電感與分布電容對正激式開關電源和反激式開關電源工作的影響是不一樣的。
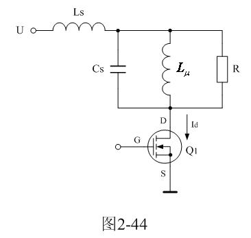
我們先來看圖2-44,當開關管Q1導通時,無論是對正激式開關電源或反激式開關電源,漏感Ls都會對流過開關管Q1的電流Id起到限制作用,即降低Id的電流上升率,這對保護開關管是有好處的;因為,開關管剛導通的時候,電流在管芯內部是以擴散的形式由一個點向整個面擴散的,如果電流上升率太大,很容易使開關管因局部面積電流密度過大造成損傷。
[page]
另外,Ls和Cs可以看成是一個串聯振蕩回路,當開關管Q1開始導通的時候,輸入脈沖電壓的上升率大于串聯振蕩回路自由振蕩電壓的上升率,因此,振蕩回路開始吸收能量,輸入電壓對Ls和Cs進行充電,此時,振蕩回路會抑制輸入電流上升率的增長;當開關管Q1完全導通以后,開關管完全導通(脈沖進入平頂階段),相當于輸入脈沖電壓的上升率為0,此時,輸入脈沖電壓的上升率小于串聯振蕩回路自由振蕩電壓的上升率,因此,振蕩回路開始釋放能量,振蕩回路產生阻尼振蕩;
當開關管Q1導通過后,開關管開始關斷,相當于輸入脈沖電壓的上升率為負(脈沖進入反沖階段),此時,輸入脈沖電壓的上升率小于串聯振蕩回路自由振蕩電壓的上升率,因此,振蕩回路又開始再次釋放能量,振蕩回路再次產生阻尼振蕩,如圖2-45所示。

圖4-5-a,是電源開關管Q1導通時,輸入電壓U加于開關變壓器兩端的波形;圖4-5-b,是勵磁電感或分布電容兩端的電壓波形;圖4-5-c,是電源關管D、S兩極之間的電壓波形。
在圖4-5-b中,在t0時刻,電源開關管Q1開始導通,輸入電壓U加于開關變壓器兩端,輸入電壓首先通過分布電感Ls對分布電容Cs充電,充電過程是按正弦曲線上升;到t1時刻,流過Ls的電流達到最大值,同時分布電容Cs兩端的電壓與輸入電壓U相等,即Ls兩端的電壓為0;但流過Ls的電流不能為0,Ls將產生反電動勢繼續給電容Cs充電。
直到t2時刻,流過Ls的電流等于0,電容器Cs充電結束,同時Cs兩端的電壓也達到最大值;然后電容按正弦曲線開始放電,流過Ls的電流開始反向,到t3時刻,Cs兩端的電壓又與輸入電壓U相等,電容停止放電,但流過Ls的電流不能為0,Ls將又產生反電動勢給電容Cs進行反向充電,所以Cs兩端的電壓低于輸入電壓U。
到t4時刻,流過Ls的反向電流等于0,Cs兩端的電壓達到最低值;然后輸入電壓又開始通過Ls對Cs進行充電,到此分布電感Ls與分布電容Cs第一個充放電周期結束。
[page]
在t0時刻,由于輸入電壓的上升率大于分布電感Ls與分布電容Cs充、放電電壓的上升率,所以電感和電容是從輸入電壓吸收能量;在t1時間之后,輸入電壓的上升率小于分布電感Ls與分布電容Cs充、放電的電壓上升率,所以電感和電容是釋放能量的,即:電感和電容在t1時間之后會產生阻尼振蕩。
這里順便指出,圖2-45-b的波形是很難測量到的,因為它基本上都在變壓器內部的分布電感Ls與分布電容Cs之間產生,但它會通過輻射對周邊電路造成干擾。
下面我們進一步通過數學的計算方法來對電路進行詳細分析。



從(2-128)式可以看出,電容兩端電壓的變化過程主要由三個與時間常數有關的變量決定。但如果我們直接用(2-128)式來求解(2-125)式,結果將會變得非常復雜,為此我們先對(2-128)式進行簡化。
[page]

另外,非齊次微分方程(2-125)式的解應該等于齊次微分方程(2-126)式的通解與(2-125)式特解之和。




另外,LC振蕩的幅度對于正激式開關電源和反激式開關電源是不同的。對于正激式開關電源,當電源開關管Q1導通的時候,正好開關變壓器要向負載輸出能量,等效負載電阻R的值相對比較小,即衰減系數很小,LC振蕩回路被阻尼得很厲害,因此,振蕩幅度下降很快,一般第一個振蕩周期過后,振蕩回路很難再次振蕩起來。





